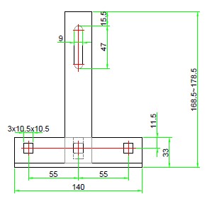
All types of Solar Panel Tile Roof Hooks. 90degree right angle, ajustable height, longer length 150mm.
Dacromet Wood screw M6.3mm x 50mm, 65mm, 80mm